不銹鋼管件
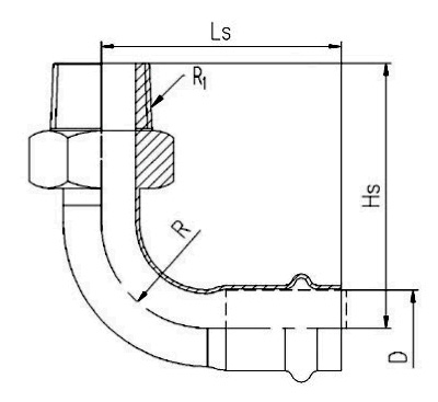
內螺紋長彎頭,螺紋彎頭(又名絲扣彎頭)在管路系統中是改變管路方向的管件。按角度分,有45°及90°,另外根據工程需要還包括60°等其他非正常角度彎頭。螺紋彎頭的材料有鑄鐵、不銹鋼、合金鋼、可煅鑄鐵,碳鋼,有色金屬及塑料等。

內螺紋長彎頭產品特性:螺紋彎頭由螺口、彎曲部分等組成 PPR螺紋彎頭其特征在于在螺口上有螺紋槽,在管路系統中,螺紋彎頭是改變管路方向的管件。 螺紋彎頭的壓力有:2000LB、3000LB、6000LB螺紋彎頭的主要制造標準一般有GB/T14383、ASME B16.11、BS 3799
在線地圖(點擊關閉)