不銹鋼管件
三通又稱管件三通或者三通管件,三通接頭等。主要用于改變流體方向的,用在主管道要分支管處。可以按管徑大小分類。不銹鋼材質制作。
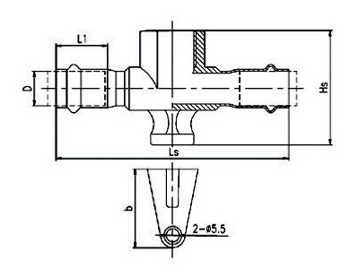
按管徑尺寸劃分 等徑三通的接管端部均為相同的尺寸; 異徑的三通的主管接管尺寸相同,而支管的接管尺寸小于主管的接管尺寸。 按工藝劃分
1. 液壓脹形
三通的液壓脹形是通過金屬材料的軸向補償脹出支管的一種成形工藝。其過程是采用專用液壓機,將與三通直徑相等的管坯內注入液體,通過液壓機的兩個水平側缸同步對中運動擠壓管坯,管坯受擠壓后體積變小,管坯內的液體隨管坯體積變小而壓力升高,當達到三通支管脹出所需要的壓力時,金屬材料在側缸和管坯內液體壓力的雙重作用下沿模具內腔流動而脹出支管。
三通的液壓脹形工藝可一次成形,生產效率較高;三通的主管及肩部壁厚均有增加。
因無縫三通的液壓脹形工藝所需的設備噸位較大,目前國內主要用于小于DN400的標準壁厚三通的制造。其適用的成形材料為冷作硬化傾向相對較低的低碳鋼、低合金鋼、不銹鋼,包括一些有色金屬材料,如銅、鋁、鈦等。

在線地圖(點擊關閉)